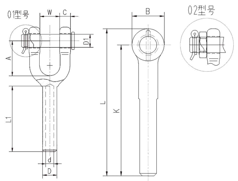
1、接头采用碳钢模锻而成,压合钢丝绳处采用机械加工,尺寸精度高,可放心与钢丝绳配合使用。 2、产品可用于牵引钢丝绳用,使用方便。 3、不能用于同捻向钢丝绳,不能用于纤维绳
全国咨询热线:
郑州嘉诚喷涂技术服务有限公司凭借着高新的技术、优异的品质及良好的服务赢得了客户点赞,在国内外众多企业大放异彩!神力>
COPYRIGHT© 郑州嘉诚喷涂技术服务有限公司 ALL RIGHTS RESERVED